LOVATO - LOVDMG110 MULTIMETRO LCD MODULARE 4U - RS485

Accedi per visualizzare prezzi e disponibilità
Caratteristiche principali
Amperometro - sì
Varmetro - sì
Frequenzimetro - sì
Contatore di impulsi - sì
Voltmetro - sì
Confezione
1 PZ
EAN
8013975214879
Codice prodotto
LOVDMG110
Cod. produttore
DMG110
Produttore
LOV
Amperometro:
sì
Varmetro:
sì
Frequenzimetro:
sì
Contatore di impulsi:
sì
Voltmetro:
sì
Wattmetro:
sì
Tipo di tensione (tensione di alimentazione):
AC/DC
Protocollo di supporto perPROFIBUS:
no
Protocollo di supporto per Modbus:
sì
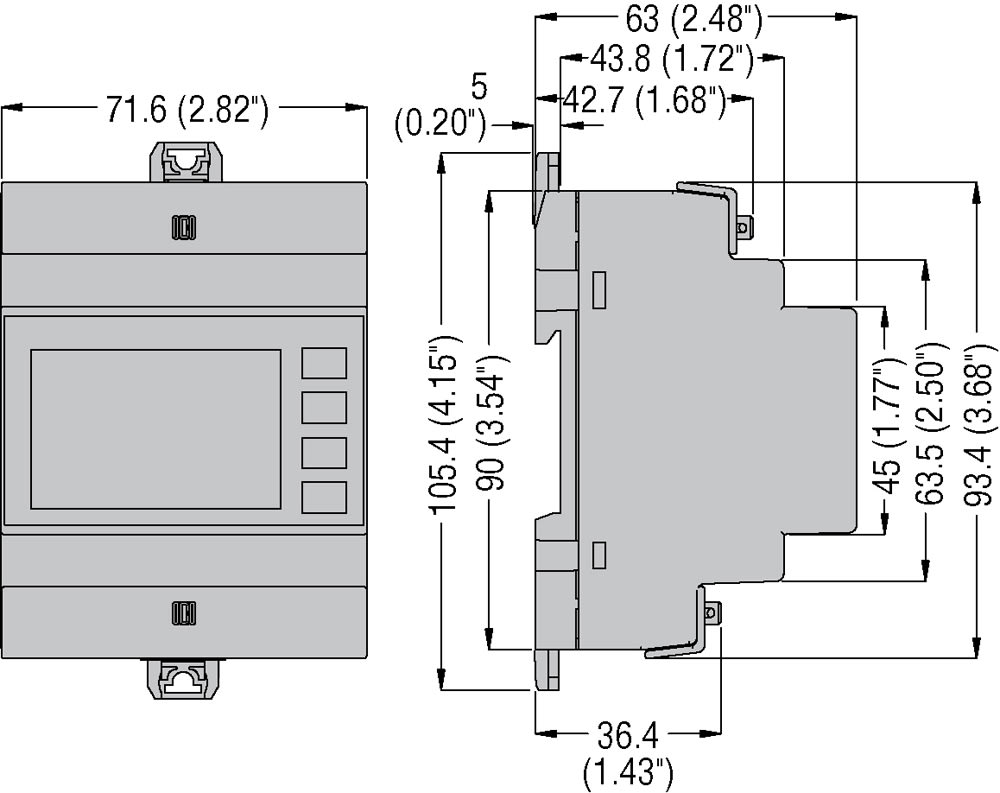
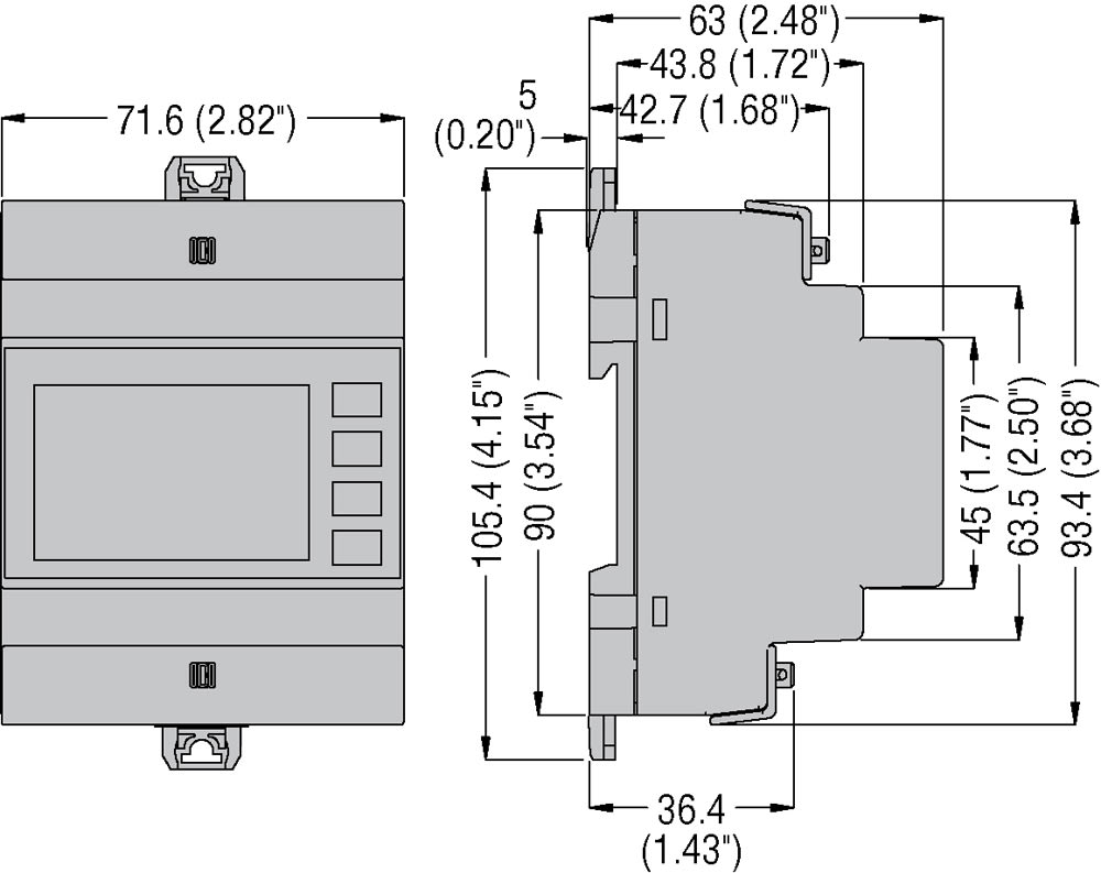
Profondità:
63 mm
Multimetro modulare 4U con LCD a icone retroilluminato, alimentazione ausiliaria 100...240VAC / 115...250VDC, porta seriale RS485 integrata. MISURE E FUNZIONI: • tensione: di fase, concatenate e di sistema • corrente di fase (corrente di neutro calcolata) • potenze: apparenti, attive e reattive di fase e totali • fattore di potenza di fase e totale • frequenza • indicazione dei valori massimi, minimi e medi per tutte le misure • massima richiesta di potenza e di corrente (max demand) • asimmetria della tensione e della corrente • visualizzazione armoniche tensione e corrente fino al 15° ordine • distorsione armonica totale (THD tensioni e correnti) • contatori di energia attiva, reattiva, apparente parziali e totali (per fase e di sistema) • contaore totali e parziali programmabili • squilibrio delle potenze attive di fase



